F&F czujnik kolejności i zaniku faz CKF-B
dodaj do przechowalni
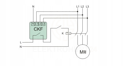
Opis
F&F czujnik kolejności i zaniku faz CKF-B
F&F czujnik kolejności i zaniku faz CKF-B to zaawansowane urządzenie elektryczne, które monitoruje i kontroluje kolejność faz oraz wykrywa zaniki faz w sieci elektrycznej.
Ten czujnik zapewnia niezawodne rozpoznawanie prawidłowej kolejności faz (L1, L2, L3) oraz szybkie wykrywanie zaników faz, co ma kluczowe znaczenie dla zapewnienia bezpiecznego i efektywnego działania urządzeń elektrycznych.
Posiada kompaktową konstrukcję oraz wygodne zaciski, które ułatwiają podłączanie przewodów. Dzięki wysokiej jakości materiałom i precyzyjnemu wykonaniu, czujnik jest niezawodny i trwały.

F&F jako lider na rynku
Firma F&F, powstała w 1992 roku jako wyodrębnienie z firmy handlowo-usługowej w branży elektronicznej, specjalizuje się w produkcji elektronicznych urządzeń sterujących dla automatyki domowej i przemysłowej. Dzięki doświadczeniu właścicieli w dziedzinie elektroniki i elektrotechniki, firma rozwija się dynamicznie, tworząc coraz bardziej zaawansowane technologicznie rozwiązania, takie jak systemy inteligentnego domu F&Home i systemy telemetryczne. Marka F&F jest znana w Polsce, a produkty firmy trafiają na rynki wielu krajów, w tym Rosji, Ukrainy, Niemiec, Chile i Stanów Zjednoczonych.

Dane techniczne
- Producent: F&F Pabianice
- Oznaczenie producenta: CKF-B
- Zasilanie: 3×400/230V+N
- Styk: separowany 1NO
- Prąd obciążenia: <10 A
- Sygnalizacja zasilania: LED zielona
- Sygnalizacja niewłaściwej kolejności faz: LED czerwona
- Asymetria napięciowa zadziałania: 55 V~
- Histereza napięciowa: 5 V~
- Opóźnienie wyłączenia: 4 sek.
- Pobór mocy: 1,6 W
- Temperatura pracy: -25÷50°C
- Montaż na wsporniku TH35
- Przyłącze: zaciski śrubowe 2,5 mm2
- Wymiary: 2 moduły (35 mm)
- Certyfikat CE
- Polski produkt

